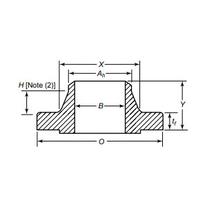
ウェルドネックフランジは、高圧、高温環境向けの究極のソリューションであり、堅牢な突合せ溶接接続と精密に製造されたシール面を通じて比類のない信頼性を実現するように設計されています。重要な用途向けに設計されたこのフランジは、完全溶け込み突合せ溶接によってパイプラインとシームレスに統合され、極度の圧力、熱変動、機械的ストレスに耐えるモノリシック構造を形成しており、製油所、石油化学プラント、原子力発電システムには不可欠なものとなっています。テーパーネックデザインは構造の完全性を強化するだけでなく、応力集中を最小限に抑え、厳しい条件下でも長期にわたるパフォーマンスを保証します。高度な鍛造、応力緩和熱処理、精密仕上げ、厳格な非破壊検査 (NDT)、防食表面処理に及ぶ製造プロセスにより、コンポーネントの安全性と耐久性が業界基準を上回ることが保証されます。
| 直径 | DN15(1/2")-DN3500(138") |
| 圧力 | 0.25~25MPa |
| 証明書 | PED、AD2000、EAC、ABS、BV、DNV、NORSOK M650、ISO9001、ISO14001、ISO45001など |
| 機能紹介 | 突合せ溶接接続により、高圧 (HP) および高温 (HT) 用途に高強度のシールを提供し、極端な条件下でも漏れ防止性能を保証します。 |
| 応用分野 | 長距離の石油およびガスのパイプライン、海洋プラットフォーム、化学装置、水処理システム、食品および製薬産業のパイプフランジ接続に適用され、複雑な作業条件に適応します。 |
| 梱包 | 耐航性のあるパッケージ、合板ケースまたはパレット、または顧客の要件に応じて |
| 注目の製品 | 1、小ロット最小注文; |
腐食性の海水に耐える海底パイプラインから灼熱の温度で動作する蒸気タービンまで、ウェルドネック フランジは漏れ防止シールと動作継続性を保証します。航空宇宙流体システムや極低温貯蔵など、妥協のない品質を必要とする業界は、周期的な負荷や過酷な媒体への曝露下でも完全性を維持できるその能力に依存しています。このフランジは、優れた材料の弾力性と精密エンジニアリングを組み合わせることで、ダウンタイムとメンテナンスを最小限に抑えてライフサイクル コストを削減します。一か八かのインフラを保護する任務を負ったエンジニアにとって、ウェルド ネック フランジは最終的な選択肢です。当社のプレミアム ウェルド ネック フランジを使用して、システムのパフォーマンスを今すぐ向上させましょう。最先端の製造技術と産業グレードの回復力が融合し、極限の圧力、温度、時間に打ち勝つための業務を強化します。卓越性を選択し、耐久性を選択して、重要なシステムの将来も保証される基盤を構築してください。
原材料から最終納品まで、耐久性、性能、一貫性を確保するために、あらゆる段階で厳格な管理を維持しています。
01
02
03
04
05
06
07
08
09
10
11
12
