ネジ付きフランジは、ネジ付きパイプを接合するための安全で溶接のないソリューションを提供することでパイプラインの接続性に革命をもたらし、安全性と適応性が交渉の余地のない環境にとって究極の選択肢となります。このフランジは精密な雌ねじで設計されており、可燃性、爆発性、または非常に敏感な産業環境など、溶接が禁止されている亜鉛メッキ鋼管やシステムとシームレスに統合されます。その革新的な設計により、溶接に伴う火災の危険が排除され、厳格な安全プロトコルへの準拠を確保しながら、高圧要求に耐える堅牢な漏れ防止シールを実現します。ネジ接続により、迅速な取り付けと分解が可能になり、メンテナンス チームが特殊な機器を使用せずにシステムのトラブルシューティングやアップグレードを行えるようになり、化学処理、石油とガスの流通、医薬品生産などの重要な業務のダウンタイムが削減されます。
| サイズ | DN15(1/2")-DN600(24") |
| 圧力定格 | 0.6~4.0MPa |
| 温度範囲 | -45℃~260℃ |
| 証明書 | PED、AD2000、EAC、ABS、BV、DNV、NORSOK M650、ISO9001、ISO14001、ISO45001など。 |
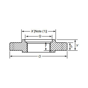
| 機能紹介 | ねじ付きフランジは、管の雌ねじを介してねじ付きパイプに接続されるため、溶接が不要になります。亜鉛メッキ鋼管または制限された溶接環境(可燃性/爆発性)に最適です。簡単な設置と柔軟なメンテナンスが特徴で、特に合金鋼やその他の溶接性の悪い材料に適しています。 |
| 応用分野 | 長距離の石油およびガスのパイプライン、海洋プラットフォーム、化学装置、水処理システム、食品および製薬産業のパイプフランジ接続に適用され、複雑な作業条件に適応します。 |
| 梱包 | 耐航性のあるパッケージ、合板ケースまたはパレット、または顧客の要件に応じて |
| 注目の製品 | 1、小ロット最小注文; |
合金鋼など、溶接が困難になりやすい材料に最適なスレッド フランジは、材料の完全性を維持し、熱による脆化や歪みを防ぎます。炭素鋼またはステンレス鋼で利用できるその耐食構造は、海洋掘削プラットフォームから食品グレードの衛生システムに至るまで、過酷な環境でも長寿命を保証します。世界標準への厳格な準拠に裏付けられたこのフランジは、油圧システム、極低温パイプライン、可燃性流体の移送など、一か八かの用途での信頼性を保証します。安全性、効率性、コスト効率の高いメンテナンスを優先する業界にとって、ネジ付きフランジは革新的なソリューションです。当社のプレミアム スレッド フランジを使用してインフラストラクチャを今すぐ強化しましょう。イノベーションと妥協のない安全性が融合し、最も要求の厳しい条件でもシステムが完璧に動作できるようになります。信頼性を選択し、耐久性を選択して、パイプラインの可能性を再定義してください。
原材料から最終納品まで、耐久性、性能、一貫性を確保するために、あらゆる段階で厳格な管理を維持しています。
01
02
03
04
05
06
07
08
09
10
11
12
