ラップ ジョイント フランジは、配管システムの柔軟性を再定義し、低圧用途でのシームレスな分解を可能にしながら、熱膨張と収縮応力を管理するための動的ソリューションを提供します。堅牢なフランジ リングと旋回フランジ付きコンポーネントを組み合わせたこの革新的な設計により、パイプラインの軸方向の動きの制御が可能になり、構造の完全性を損なうことなく温度による変化を効果的に吸収できます。高精度溶接継手を実現するバットウェルドリングタイプ(PJ/SE)と、取付作業が容易なフラットウェルドリングタイプ(PJ/RJ)の2種類を用意し、漏れ防止性能を維持しながら多様な運用ニーズに対応します。高級炭素鋼またはステンレス鋼で設計されたフランジは腐食や機械的磨耗に耐え、頻繁なメンテナンスや機器のアップグレードが日常的である化学処理、水処理、食品生産などの業界での信頼性を確保します。
| 直径 | DN50(2")-DN2000(80") |
| 圧力 | 0.6~2.5MPa |
| 証明書 | PED、AD2000、EAC、ABS、BV、DNV、NORSOK M650、ISO9001、ISO14001、ISO45001など |
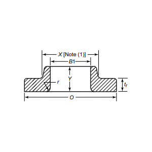
| 機能紹介 | フランジリングとフランジ加工を組み合わせると、パイプラインの軸方向の変位が可能になり、熱膨張応力が軽減されます。タイプ:突合せ溶接リング(PJ/SE)と平坦溶接リング(PJ/RJ)。頻繁に分解を必要とする低圧パイプラインに適しています。 |
| 応用分野 | 長距離の石油およびガスのパイプライン、海洋プラットフォーム、化学装置、水処理システム、食品および製薬産業のパイプフランジ接続に適用され、複雑な作業条件に適応します。 |
| 梱包 | 耐航性のあるパッケージ、合板ケースまたはパレット、または顧客の要件に応じて |
| 注目の製品 | 1、小ロットの最小注文; |
その回転機構により、組み立て中の調整が簡素化され、油圧機械、HVAC ネットワーク、またはモジュール式産業セットアップなどのシステムの人件費とダウンタイムが削減されます。フランジの動きをパイプラインの応力から隔離することで、ガスケットとボルトの寿命を延ばし、長期的な交換費用を削減します。熱補償が必要なオフショアプラットフォームから、無菌で洗浄しやすい接続が必要な製薬工場まで、ラップジョイントフランジは、進化する運用需要に適応しながら、ASME および EN 規格への準拠を保証します。厳格なテストと多様な互換性によって裏付けられ、エンジニアは将来に備えた復元力のあるインフラストラクチャを設計できるようになります。当社のラップ ジョイント フランジを使用して配管システムを今すぐアップグレードしてください。精密エンジニアリングと適応力が融合し、動的な環境でも業務を成功させることができます。柔軟性と耐久性を選択して、効率の新時代を切り開いてください。
原材料から最終納品まで、耐久性、性能、一貫性を確保するために、あらゆる段階で厳格な管理を維持しています。
01
02
03
04
05
06
07
08
09
10
11
12
