Butt Weld Stub-end は、堅牢な性能と比類のない設置の柔軟性を組み合わせた、最新の配管システム向けの多用途ソリューションです。パイプラインを終端し、フランジや他のコンポーネントに簡単に接続できるように設計されているため、メンテナンスが簡素化され、ダウンタイムが短縮され、高圧や腐食性の条件下でも漏れのない完全性が保証されます。精密に設計されたウェルドネックは、パイプとフランジ間のシームレスな移行を実現し、弱点を排除し、最も要求の厳しい環境でも長期にわたる耐久性を保証します。化学処理、石油とガス、発電などの産業用途において、突合せ溶接スタブエンドは研磨媒体、極端な温度、変動する圧力の管理に優れており、コストのかかる漏れや故障のリスクを最小限に抑えます。
| サイズ | DN15(1/2")-DN1200(48") |
| 肉厚 | シュ5S-シュ160 |
| 種類 | シームレス/溶接 |
| 証明書 | PED、AD2000、EAC、ABS、BV、DNV、NORSOK M650、ISO9001、ISO14001、ISO45001など |
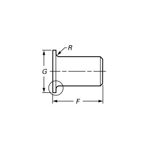
| 機能紹介 | スタブエンドとは、プレスや溶接などにより管口端を特定の曲線に沿って垂直な端に形成する管継手です。主に、シールと構造強度を高めるために、パイプをフランジ、バルブ、またはその他のパイプ継手と接続するために使用されます。その設計により、複雑な絞りプロセスが置き換えられ、材料のプラスチック フローが最適化され、ひび割れやしわが回避され、加工ステップが削減され、材料が節約されます。特に高圧、耐食性、または精密な流体供給システムに適しています。 |
| 応用分野 | 石油化学、天然ガス輸送、電力、造船、都市工学の分野のパイプラインシステム接続に広く使用されており、高圧、高温、腐食性媒体環境に適しています。 |
| 梱包 | 耐航性のあるパッケージ、合板ケースまたはパレット、または顧客の要件に応じて |
| 注目の製品 | 1、小ロットの最小注文; |
都市の上下水システムは、ステンレス鋼や二相合金などの耐食性素材の恩恵を受け、厳しい安全性と衛生基準を満たしながら、数十年にわたる信頼性の高いサービスを保証します。食品および製薬業界は、衛生状態を維持し、汚染を防ぐために、その滑らかで隙間のないデザインを利用しています。このコンポーネントは迅速な分解と再組み立てを可能にすることで、検査や修理中の人件費と運用の中断を削減します。突合せ溶接スタブエンドを選択するということは、強度、適応性、コスト効率のバランスをとった将来に備えたインフラストラクチャに投資することを意味します。当社と提携して、性能を発揮するように設計され、長持ちするように構築された配管システムに革命を起こしましょう。今すぐ当社の専門家に問い合わせて、この重要なコンポーネントがどのようにしてプロジェクトを新たな卓越性の基準に引き上げるかを確認してください。今すぐ行動して、革新性、信頼性、容易な拡張性を組み合わせたソリューションを確保してください!
原材料から最終納品まで、耐久性、性能、一貫性を確保するために、あらゆる段階で厳格な管理を維持しています。
01
02
03
04
05
06
07
08
09
10
11
12
13
14
15
